Kaifeng Electron
Kaifeng Electron
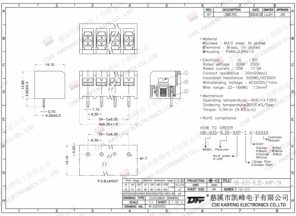
Barrier Terminal Block HB-635-6.35mm
Material:M2.5 Steel,Ni platedTerminal:Brass,0.7t Ni platedHousing: PA66,UL94V-0ElectricalULIECRated voltage300V 250V Rated current10A17.5AInsulation resistance500MΩ/DC500VWithstanding voltage AC2000V/1minWire range22-16AWG 1.5mm²MechanlicalTemp.rang-40℃~+105℃ Torque0.4N.m 3.54Lb.in
Color
  • Kaifeng Electron
  • Kaifeng Electron
Line count
  • 02P
  • 03P
  • 04P
  • 05P
  • 06P
  • 07P
  • 08P
  • 09P
  • 10P
  • 11P
  • 12P
  • 13P
  • 14P
  • 15P
  • 16P
  • 17P
  • 18P
  • 19P
  • 20P
  • 21P
  • 22P
  • 23P
  • 24P
Product Drawing
Kaifeng Electron
Material
  • Screws
    M2.5 Steel Zinc plated
  • Terminal
    Brass,0.7Tin Plated
  • Housing
    PA66, UL94V- 0
Electrical
  • Rated voltage
    300V UL丨 250V lEC
  • Rated current
    10A UL丨 17.5A lEC
  • Insulation resistance
    500MΩ/DC500V
  • Withstanding voltage
    AC2000V/1Min
  • Wire range
    22-16AWG 1.5mm²
Mechanical
  • Temp.rang
    LOW-40℃ 丨TOP+105℃
  • Torque
    0.4N.m 4.4Lb.in
Packaging
  • Net Weight
    2.75g
  • SPQ
    200pcs
  • Packaging
    Bagged
  • MOQ
    1000pcs
  • Packaging
    Box45cm*28cm*27cm