PCB Terminal Block KF137-15.00mm
PCB Terminal Block
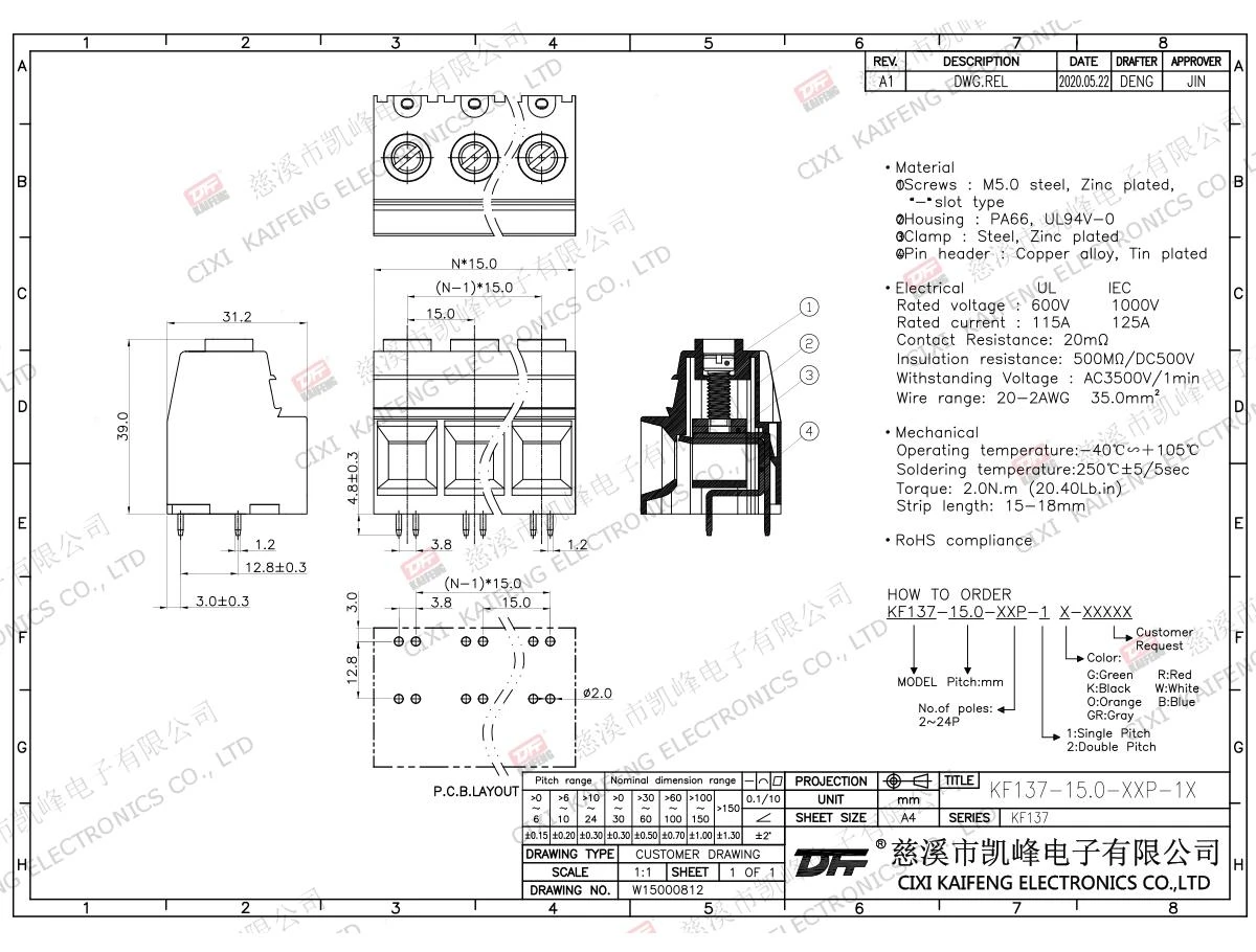
MATERIAL:Screws:M5steel,Ni plated材料:Brass, Tin platedPin header:Brass, Tin platedHousing:PA66UL94V-0·ELECTRICALRated voltage:600VRated current:90AContact resistance:20m?Insulation resistance:5000M?\1000VWithstanding voltage :AC300V\1MinWire range:22-2AWG25mm2·MechanicalTemp.rang:-40℃∽+105℃Max.soldering:+250 ℃ / 5S torque:2Nm(17.54lb.in)Strip length:15-18mm
Line count
- 02P
- 03P
- 04P
- 05P
- 06P
- 07P
- 08P
- 09P
- 10P
- 11P
- 12P
- 13P
- 14P
- 15P
- 16P
- 17P
- 18P
- 19P
- 20P
- 21P
- 22P
- 23P
- 24P